网址首页
关于我们
新闻中心
产品展示
客服中心
联系我们
电子邮局
产品中心
焊接类
卡套式
扩口式
法兰
管夹和管接头
螺塞螺栓
其它类
首页 >> 产品介绍
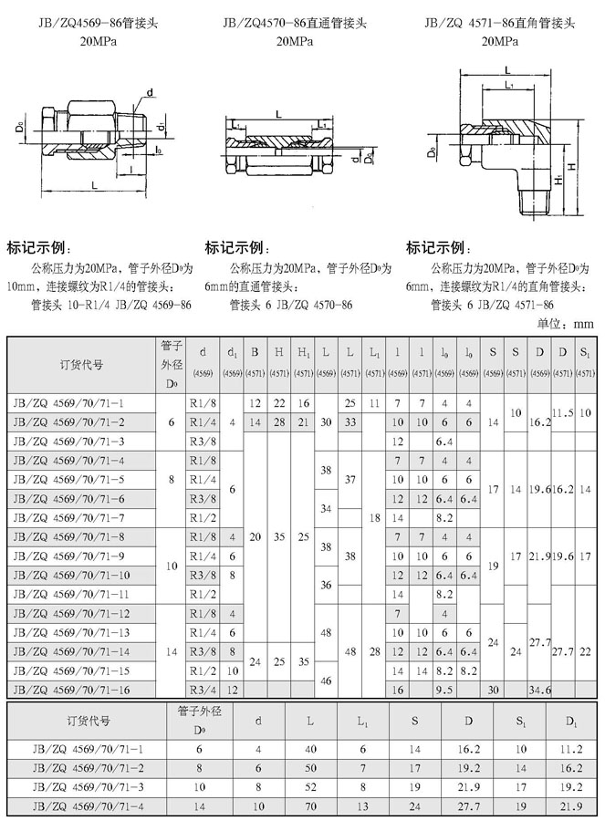
其它管接头(根据JB/ZQ4569-86、JB/ZQ4570-86、JB/ZQ4571-86)